產品介紹

W02MGB2

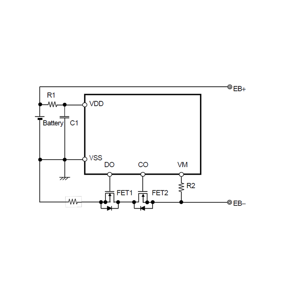
電池組應用於攜型充電盒,在現今技術中,充電方式基本上都是由充電盒進行充電,一方面是因為攜便型3c產品電池續航較小,小巧的內部無法容納更大的電池,另一方面是充電插座和其它元件都會占用更大的空間,充電盒成為現今出門在外便利的產品。
分享:
型號  W02MGB2
尺寸(厚寬長)  mm
容量/電壓範圍 550mAh/3.6V
最大充放電倍率 0.2C/0.5C
應用方向 攜型充電盒
串並聯方式 1S1P
循環壽命 500次@80%
產品特性 耐衝擊、溫度控制
產品比較

你的比較總計 0 件產品

我們使用 Cookie 以允許我們網站的正常工作、個性化設計內容和廣告、提供社交媒體功能並分析流量。我們還同社交媒體、廣告和分析合作夥伴分享有關您使用我們網站的信息

隱私權偏好設定中心

我們使用 Cookie 以允許我們網站的正常工作、個性化設計內容和廣告、提供社交媒體功能並分析流量。我們還同社交媒體、廣告和分析合作夥伴分享有關您使用我們網站的信息

管理同意設定

必要的Cookie

一律啟用

網站運行離不開這些 Cookie 且您不能在系統中將其關閉。通常僅根據您所做出的操作(即服務請求)來設置這些 Cookie,如設置隱私偏好、登錄或填充表格。您可以將您的瀏覽器設置為阻止或向您提示這些 Cookie,但可能會導致某些網站功能無法工作。